ДАТ-М-06ГТРХ ИБЯЛ.413216.044-16 датчик сигнализатор
![]() |
ООО "ГИКПРОМ" является официальным дилером ФГУП "СПО "АНАЛИТПРИБОР", г. Смоленск. Имеет все полномочия и возможности для поставки газоанализаторов ДАТ-М-06ГТРХ ИБЯЛ.413216.044-16 на условиях не хуже условий, которые предлагает сам производитель. Всегда в наличии или с минимальным сроком поставки наиболее популярные модели ДАТ-М. Для заказа или консультации обращайтесь в отдел продаж с заявками: info@geekprom.ru +7 800 600 95 36 (бесплатный по РФ) +7 495 647 95 36 (многоканальный) |
Датчик-сигнализатор ДАТ-М-06ГТРХ ИБЯЛ.413216.044-16 - прибор, использующийся для контроля концентраций горючих газов в воздухе рабочей зоны и на открытых площадках. Для измерения применяется сенсор термохимического типа. ДАТ-М-06ГТРХ способен контролировать обширный перечень горючих веществ, имеет широкий температурный диапазон использования (от -40 до +50 гр С), что делает его применимым в условиях Крайнего Севера. Все приборы ДАТ-М соответствуют требования РМРС.
Одним из главных преимуществ датчиков ДАТ-М-06ГТРХ является широкий диапазон измерений. Они способны определять концентрацию газов в диапазоне от 0 до 100%. При этом погрешность измерений не превышает 2%. Питание и передача информации, а также управление внешними устройствами обеспечивается через вторичный блок питания БПС-21М.
ДАТ-М-06ГТРХ имеет цифровую индикацию на корпусе отличаются высокой надежностью и долговечностью. Они изготовлены из прочных материалов, которые обеспечивают долгий срок службы устройств. Кроме того, датчики просты в установке и эксплуатации. Они не требуют сложного обслуживания и частого проведения калибровок.
Отличия ДАХ-М-06ГТРХ от ДАХ-М-06 заключаются в том, что поверочный компонент - гексан (C6H14), а не метан (CH4) и токовый выход 4-20 мА с HART-протоколом и исполнительное реле.
Спецификация ДАТ-М-06ГТРХ ИБЯЛ.413216.044-16
| Характеристика | Значение |
|---|---|
| Цифровая индикация |
на корпусе |
| Материал корпуса |
алюминий или нержавеющая сталь |
| Вид взрывозащиты |
1ExdIICT6 |
| Способ забора пробы |
диффузионный |
| Пороги срабатывания сигнализации |
10 и 15 % НКПР |
| Тип выходного сигнала |
токовый выход 4-20 мА с HART-протоколом исполнительные реле (ПОРОГ 1, ПОРОГ 2, ОТКАЗ) |
| Степень защиты корпуса |
IP66 |
| Напряжение питания |
10-32 |
| Потребляемая мощность |
7 Вт |
| Габаритные размеры |
110х1300х250 |
| Масса | 4 кг для алюминиевого корпуса 6,6 для исполнения из нержавеющей стали |
| Поверочный компонент |
гексан (C6H14) |
Область применения ДАТ-М-06ГТРХ
- Добывающие и буровые платформы
- Вблизи резервуаров хранения нефти и нефтепродуктов
- Предприятия химической промышленности
- Предприятия металлургии
- На производствах, использующих лакокрасочную продукцию
- Предприятия ТЭК
- В условиях крайнего Севера и Арктики
Внешний вид
![]() |
1 - табличка 2 - стопорный винт и место пломбирования 3 - болт заземления 4 - стопорный винт 5 - ТХД 6 - колпачок 7 - заглушка 8 - крышка для подключения кабеля 9 - нижняя крышка 10 - заглушка 11 - индикатор ВКЛ 12 - кнопка МЕНЮ/ВВОД 13 - индикатор ПОРОГ 14 - цифровой индикатор 15 - кнопки ВЛЕВО ВПРАВО 16 - табличка |
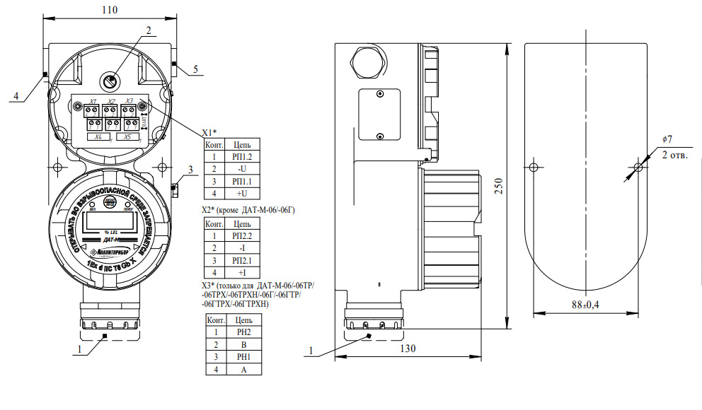
Монтажный чертеж
![]() |
1 - фильтр 2 - винт для подключения экрана кабеля 3 - болт защитного заземления 4, 5 - транспортная заглушка |
Для питания датчиков ДАТ-М используются вторичные блоки, производства ФГУП СПО АНАЛИТПРИБОР - БПС-21М.
Кабельные вводы также не входят в комплект поставки, их заказывают дополнительно.
Мы предлагаем для поставки стационарные газоанализаторы для воздуха рабочей зоны. ДАТ-М-06ГТРХ ИБЯЛ.413216.044-16 датчик сигнализатор, артикул ИБЯЛ.413216.044-16 по цене 133 500 ₽ имеется в наличии или доступны для заказа с минимальным сроком поставки. Цена указана в рублях и включает НДС. Приобрести данные приборы Вы можете онлайн на нашем сайте добавив товар в корзину или позвонив по телефону 8 800 600-95-36 .
Комплект поставки
- датчик-сигнализатор ДАТ-М-06ГТРХ;
- комплект ЗИП согласно ведомости;
- техническая документация (руководство по эксплуатации и методика поверки).
Нашли дешевле или быстрее?Это маловероятно. Но напишите нам и мы еще улучшим условия!
info@geekprom.ru
Ежедневные отгрузки по всей РФРаботаем со всеми транспортными компаниями и курьерскими службами
Официальный дилер - официальные поставкиЛучшие условия, цены, качество работы - от сертифицированного дилера.
Любые формы оплатыБазналичные платежи с НДС по счету, договору. Оплата картой онлайн. Наличные при самовывозе.





























